相關資訊
咨詢熱線:
0513-88602618
傳真:0513-88600216
郵編: 226661
郵箱: hahyjd@126.com
hyjd868@pub.nt.jsinfo.net
地址: 江蘇海安曲塘工業園區建設路3號
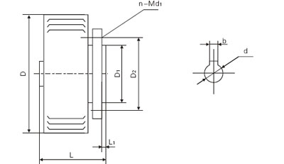
CZKX-型空心軸外殼旋轉式磁粉制動器


| 型號 | 技術參數 | 安 裝 尺 寸 | ||||||||||
| 額定 轉矩 N.m | 激磁 電流 A | 允許滑 差功率W | L | L1 | D | D1 | D2 | d | n | d1 | b | |
| CZKX-2.5 | 25 | 0.8 | 300 | 102 | 5 | 196 | 100 | 140 | 20 | 3 | 10 | 6 |
| CZKX-5 | 50 | 1 | 600 | 115 | 5 | 230 | 110 | 150 | 30 | 3 | 10 | 8 |
| CZKX-10 | 100 | 1.2 | 800 | 142 | 5 | 280 | 120 | 150 | 35 | 6 | 10 | 10 |
| CZKX-20 | 200 | 1.5 | 1000 | 179 | 6 | 346 | 160 | 240 | 45 | 6 | 10 | 14 |
一、概述
磁粉制動器是指使機械中的運動件停止或減速的機械零件。俗稱剎車、閘。是采用磁粉作介質,在通電情況下形成磁粉鏈來傳遞扭矩的新型傳動元件,主要由內轉子、外轉子、激磁線圈及磁粉組成。為了減小制動力矩和結構尺寸,磁粉制動器通常裝在設備的高速軸上,但對安全性要求較高的大型設備(如礦井提升機、電梯等)則應裝在靠近設備工作部分的低速軸上。
二、CZKX-型空心軸外殼旋轉式磁粉制動器特點
1、可以輕松進行大范圍的控制。
2、可以達到連續滑動運轉。
3、可以得到安定的扭力。
4、無鳴叫音。動作面的滯滑現象會發生于摩擦方式,但是在此不會出現,而且也不會發出連結音,所以運轉相當安靜。
5、熱容量很大。由于使用了耐熱性優越的磁粉及運用了理想的冷卻方法,即使是過于嚴酷的連續滑動運轉,也可以安心使用。
6、可以達到平順的連續及驅動狀態。由于靜摩擦系數和動摩擦系數幾乎一樣,所以完全連結時不會產生震蕩,可以因應負載加減速度。
三、 磁粉制動器用途
1、緩沖起動,停止用:利用連結時的圓滑特性及定轉矩特性達到緩沖起動和停止。
2、連續滑動、張力控制用
3、轉矩限制器用
4、高速應答用
5、動力吸收用
6、定位停止用
7、模擬負載用








